(1) Safety-lock
  Plug-in boxes except for fuse types use safety locks.
Door inter-lock :
  When a breaker inside a Plug-in Box has electric current applied, doors cannot be opened or closed.
Inter-lock with Busduct :
  When a breaker inside a Plug-in Box has electric current applied, plug-in box is not removable from busduct.
(2) Knock-out hole
  Install our company¡¯s standard cable board.
(3) The location of N
  The neutral pole inside a standard plug-in box is located on the right side of the box from the front.
(4) The direction of opening and closing of a door
  The door is a right hinge type. But in certain cases, they can be changed to a left hinge type according to where they are used.
(5) Grounding ( Earthing )
  Before installing Plug-in Box on a Busduct, connect the plug-in box¡¯s earthing supporter and a Busduct and then insert the plug-in box.
(6) Use tap box when over 400A.
 
Vertical Mounting (example)
 
 
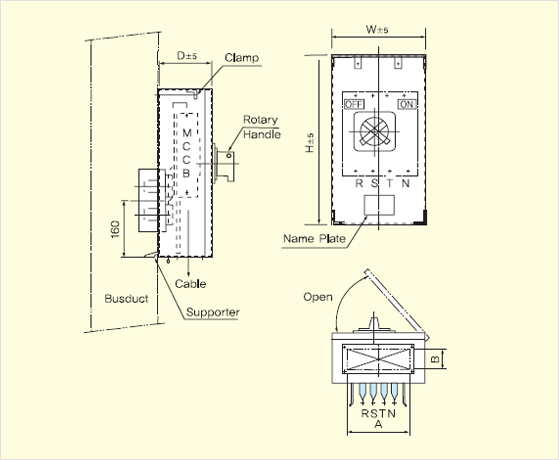
With Molded Case Circuit Breaker Type(MCCB-Type, 3P+T/B) : External Operation
 
Frame
(AF)
MCCB Dimension(mm) Cable Hole
W H D A B
50FA ABH53a 230 400 175 120 60
ABL53a 230 400 195 120 60
100FA ABS103a 230 400 175 120 60
ABH103a
ABL103a 230 400 195 120 60
225FA ABS203a 250 440 195 140 60
ABH203a 250 440 235 140 60
ABL203a
400FA ABS403a 320 600 250 240 100
ABH403a
ABL403a
  ¡Ø Use the standard of Shinhwa Busduct for MCCB.
 
 
MCCB-Type(4P) : External Operation
 
Frame
(AF)
MCCB Dimension(mm) Cable Hole
W H D A B
50FA ABH54a 230 400 175 120 60
ABL54a 230 400 195 120 60
100FA ABS104a 230 400 175 120 60
ABH104a
ABL104a 230 400 195 120 60
225FA ABS204a 250 440 195 140 60
ABH204a 250 440 235 140 60
ABL204a
400FA ABS404a 320 600 250 240 100
ABH404a
ABL404a
   
 
 
With Fuse Type(F-Type)
 
Ampere
Rating
W H D Fuse
Type
100A 280 500 200 Size 00
200A 420 600 250 Size 1
400A 420 600 250 Size 2
  ¡Ø Consult our design team in case of the Fuse Type
 
 
 
With Molded Case Circuit Breaker Type(MCCB-Type) : External Operation
 
Frame
(AF)
MCCB Dimension(mm) Cable Hole
W H D A B
50FA ABH53a 200 400 175 90 60
ABL53a 200 400 195 90 60
100FA ABS103a 200 400 175 90 60
ABH103a
ABL103a 200 400 195 90 60
225FA ABS204a 200 440 195 90 60
ABH204a 200 440 235 90 60
ABL204a
400FA ABS404a 240 600 250 150 100
ABH404a
ABL404a
   
 
 
With Fuse Type(F-Type)
 
Ampere
Rating
W H D Fuse
Type
100A 250 500 200 Size 00
200A 400 600 250 Size 1
400A 400 600 250 Size 2
 

1. Use tap box when over 400A.
2. Consult our design team in case of the Fuse Type