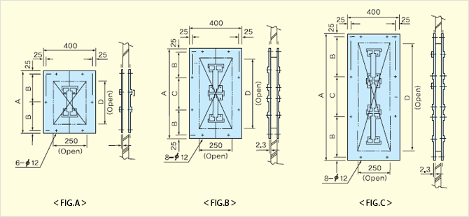
Wall Flange (external) and Open size
 
 
Wall Flange (external) and Open size
 
   
 
Rated current
(A)
Fig Dimension(mm)
Aluminum Bronze Internal External        

600
800
1000
1200
1350
1500
1600
2000
600
800
1000
1200
1350,1500
1600
-
2000
-
A D 390
400
420
450
470
500
520
530
590
170
175
185
200
210
225
235
240
270
0
0
0
0
0
0
0
0
0
240
250
270
300
320
350
370
380
440
   
 
Rated current
(A)
Fig Dimension(mm)
Aluminum Bronze Internal External        
-
2500
-
3000
3500
-
-
4000
4500
5000
2500
3000
3500
-
-
4000
4500
5000
5500
6500
B D 670
720
770
790
900
870
950
1020
1050
1230
185
210
235
245
300
285
300
325
335
295
250 520
570
620
640
750
720
800
870
900
1080
C 250
300
320
330
0
  ¡Ø The rated current 5000A and 6500 Dimension are applied four times at Fig. C and Fig. D.